Powodem uderzenie hydrauliczne, które słychać poniżej jest niewielka ilość kondensatu pary wodnej. Naprawdę niewielka bo w wypadku dużej ilości rura aż podskakuje na podporach.
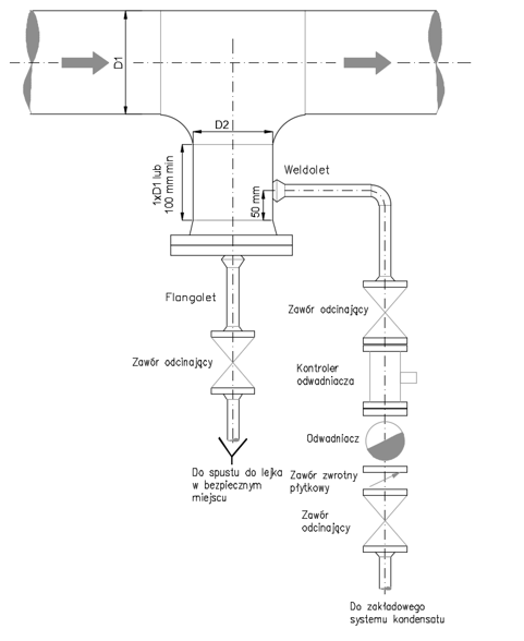
Odwodnienie kondensatu pary wodnej jest realizowane w tzw garnkach kondensacyjnych. Nie ma na to norm ale może tak to wyglądać:


